Aller au contenu principal

Fier d'être le seul fabricant de palans à chaînes, chariots et treuils électriques au Canada

Chariot poussoir GHF

Référence
GHF500 - 6300
GIS GHF Push trolley 1250 kg
GIS GMF electric trolley spindle

Le chariot poussoir GIS GHF est un chariot à poutre durable et précis, conçu pour déplacer manuellement et sans effort des charges suspendues. Avec un profil à faible hauteur et une largeur d'aile réglable, il s'intègre facilement dans les installations étroites ou les systèmes existants. Fabriqué en Suisse, le chariot GHF fonctionne en douceur sur des roulements à billes de haute qualité et est idéal pour les salles blanches, les ateliers et les environnements industriels légers où la simplicité et la fiabilité sont essentielles.

  • Chariot manuel pour poutres d'acier
  • Déplacement manuel de palan manuel ou palan électrique à chaîne 
  • Galets de roulement en fonte grise, munis de roulement à billes 
  • Flasques en fonte grise avec sécurité antichute et anti soulèvement 
  • Largeurs d'aile réglable en continu
     

Demander une soumission


Description

Technical Specifications

Capacités de charge maximalesGHF500: 500kg, GHF1250: 1250 kg, GHF2500: 2500 kg, GHF5000: 5000 kg, GHF6300: 6300 kg 
Largeurs d'aileGHF500: 100-149, GHF1250: 70 - 240 mm, GHF2500: 88 - 300 mm, GHF5000 / 6300: 91 - 300 mm 
Rayon de courbure minimal (avec galets de support) GHF1250: 1300 mm, GHF2500: 1800 mm, GHF5000 / 6300: 2200 mm 
MatérielFlasques et galets de roulement en fonte grise
Galets de roulementGalets de roulement pour surfaces planes
AxeAxe en acier galvanisé
ProtectionSécurité antichute et anti soulèvement

Bénéfice client

Les chariots GHF500 et GHF1250 - 6300 sont conçus pour une flexibilité et une durabilité maximales: Les galets de roulement de plus grand diamètre adaptés à la surface de la poutre garantissent une plus longue durée de vie et un fonctionnement silencieux optimale. 

La largeur d'aile est variable en continu grâce à un nouveau type de système de réglage et peut être fixée positivement grâce à une fonction de verrouillage. Cela facilite le montage sur site. 

Des galets de support disponibles en option assurent le bon fonctionnement dans les courbes.

Accessoires et options

  • Chariots résistant à la rouille 
  • Galets de support pour les déplacements en courbe 
  • Galets de roulement convexe en fonte grise 
  • Galets de roulement en plastique 
  • Galets de roulement en acier résistant à la rouille 
  • Axes pour largeurs d'aile spéciales 
  • Graisse basse température pour les galets de roulement 
  • Frein de parking pour GHF1250
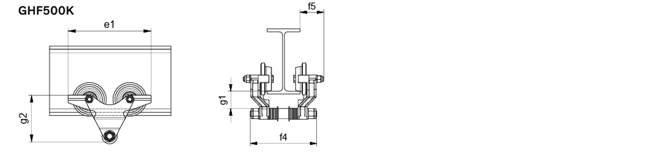
Modèles et dimensions
Technical drawing GHF500
GHF push trolley dimensions
ModèlesCapacitéPoidse1f4f5g1g2Largeur d'aile
(mm)
Rayon de courbure min.Épaisseur d'aile max.
(kg)(kg)(mm)MinMax(mm)
GHF5005002,5215183-2336248122100149-24
GHF1250125011239186-286404817970240100026
GHF2500250020286258-35844.55721888300150030
GHF5000500032341268-36847.55724191200180035
GHF6300630047387292-39249.554.527091200180036